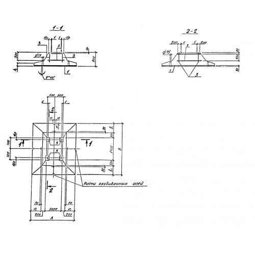
Ф2

Чертеж изделия:
Характеристики изделия:
ПараметрЗначение
длина2700 мм
ширина3300 мм
высота900 мм
вес10100 кг
серия0-221-84

Ф2 Плиты фундаментные по серии 0-221-84.