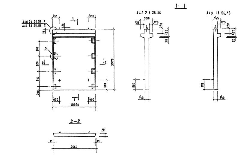
2Д 26.36 диафрагмы жесткости
Характеристики изделия:
| Параметр | Значение |
|---|---|
| длина | 2560 мм |
| ширина | 550 мм |
| высота | 3570 мм |
| масса | 4050 кг |
| нормативный документ | Серия 1.020-1/87 |
Цена:
Рассчитать стоимость2Д 26.36 Диафрагмы жесткости с двумя полками Серия 1.020-1/87.
