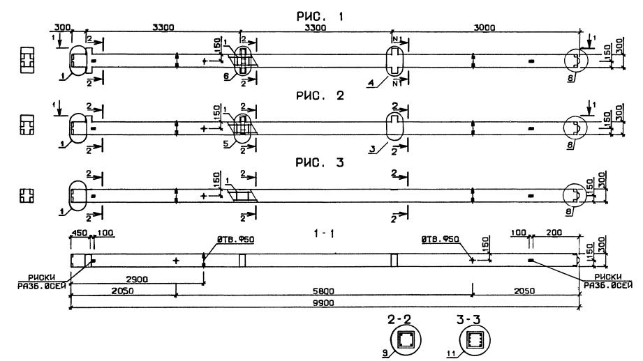
3КО 3.33

Чертеж изделия:
Характеристики изделия:
ПараметрЗначение
длина9900 мм
ширина300 мм
высота450 мм
масса2380 кг
нормативный документСерия 1.020.1-3пв

3КО 3.33  Колонны одноконсольные Серия 1.020.1-3пв.