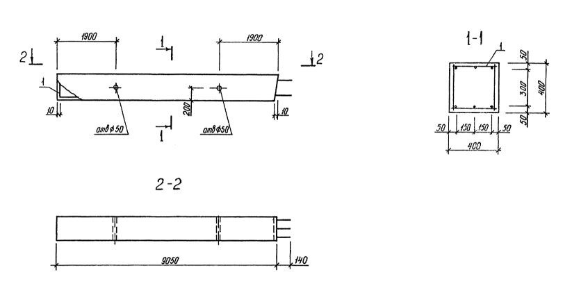
БО 91.4

Чертеж изделия:
Характеристики изделия:
ПараметрЗначение
длина9190 мм
ширина400 мм
высота400 мм
масса4210 кг
нормативный документСерия 1.020.1-3пв

БО 91.4  Балки обвязочные Серия 1.020.1-3пв.