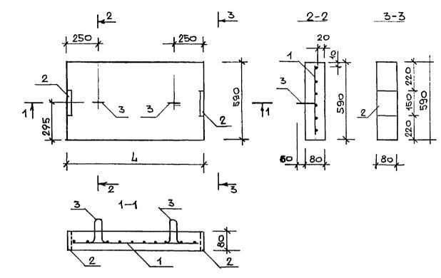
ЛП 17-5

Чертеж изделия:
Характеристики изделия:
ПараметрЗначение
длина1650 мм
ширина590 мм
высота80 мм
масса190 кг
нормативный документСерия 1.050.9-4.93

ЛП 17-5  Площадочные плиты Серия 1.050.9-4.93.