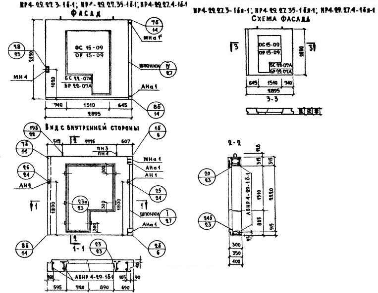
НР4-29.27.4-1бл-1

Чертеж изделия:
Характеристики изделия:
ПараметрЗначение
Длина2895 мм
Ширина400 мм
Высота2650 мм
Масса2700 кг
Нормативный документСерия 1.132-1

НР4-29.27.4-1бл-1   Наружная стеновая панель рядовая по Серии 1.132-1.