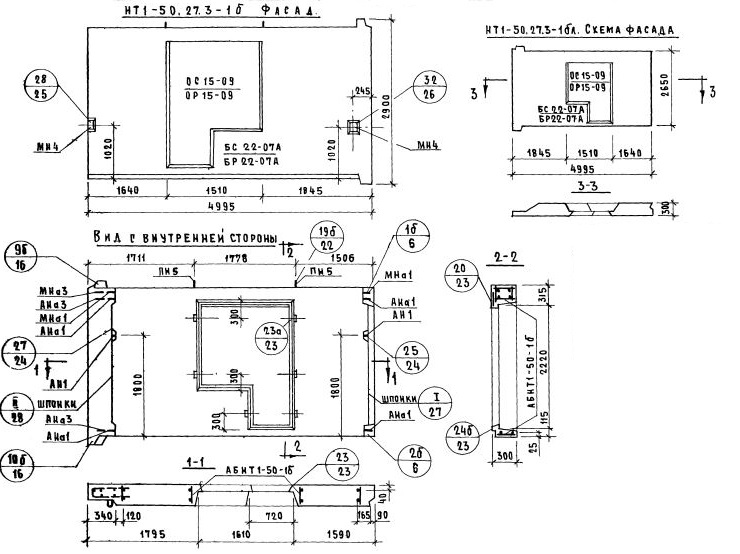
НТ1-50.27.3-1бл

Чертеж изделия:
Характеристики изделия:
ПараметрЗначение
Длина4995 мм
Ширина300 мм
Высота2650 мм
Масса4550 кг
Нормативный документСерия 1.132-1

НТ1-50.27.3-1бл   Наружная стеновая панель торцевая по Серии 1.132-1.