2ПР 11
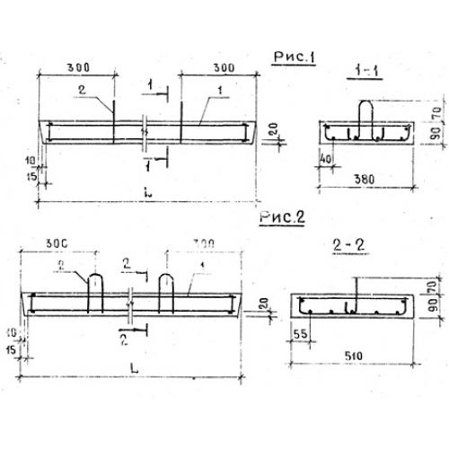
Характеристики изделия:
| Параметр | Значение |
|---|---|
| длина | 1160 мм |
| ширина | 510 мм |
| высота | 90 мм |
| вес | 133 кг |
| серия | 1.138-10 |
Цена:
Рассчитать стоимость2ПР 11 Перемычки плитные по серии 1.138-10.
| Параметр | Значение |
|---|---|
| длина | 1160 мм |
| ширина | 510 мм |
| высота | 90 мм |
| вес | 133 кг |
| серия | 1.138-10 |
2ПР 11 Перемычки плитные по серии 1.138-10.
.jpg)