ПТП 8.6

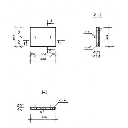
Чертеж изделия:
Характеристики изделия:
ПараметрЗначение
длина800 мм
ширина600 мм
высота80 мм
вес96 кг
серия1.243-2

ПТП 8.6 Плиты плоские по серии 1.243-2.