К
Характеристики изделия:
| Параметр | Значение |
|---|---|
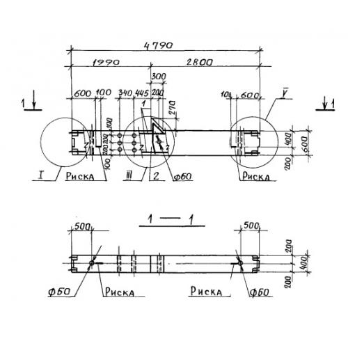
| длина | 4790 мм |
| ширина | 600 мм |
| высота | 400 мм |
| масса | 2530 кг |
| нормативный документ | Серия 1.420.1-20с |
Цена:
Рассчитать стоимостьК Колонны Серия 1.420.1-20с.
| Параметр | Значение |
|---|---|
| длина | 4790 мм |
| ширина | 600 мм |
| высота | 400 мм |
| масса | 2530 кг |
| нормативный документ | Серия 1.420.1-20с |
К Колонны Серия 1.420.1-20с.
