П 12

Чертеж изделия:
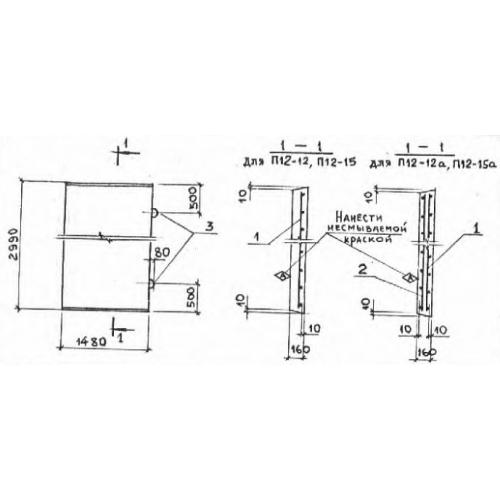
Характеристики изделия:
ПараметрЗначение
длина2990 мм
ширина1480 мм
высота160 мм
вес1770 кг
серия3.006-2

П 12 Плиты перекрытия лотков по серии 3.006-2.