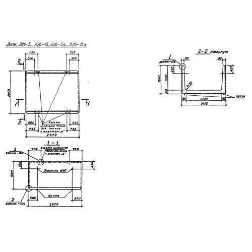
Л 26

Чертеж изделия:
Характеристики изделия:
ПараметрЗначение
длина2970 мм
ширина2460 мм
высота1640 мм
масса5480 кг
нормативный документСерия 3.006.1-2/82

Л 26 Лотки теплотрасс Серия 3.006.1-2/82.