П 1

Чертеж изделия:
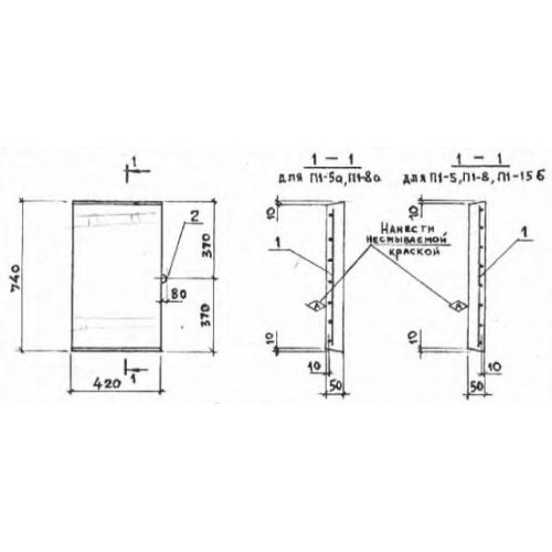
Характеристики изделия:
ПараметрЗначение
длина740 мм
ширина420 мм
высота50 мм
масса40 кг
нормативный документСерия 3.006.1-2/82

П 1  Плиты перекрытия лотков Серия 3.006.1-2/82.