К 36
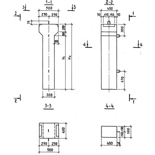
Характеристики изделия:
| Параметр | Значение |
|---|---|
| длина | 2910 мм |
| ширина | 500 мм |
| высота | 400 мм |
| масса | 930 кг |
| нормативный документ | Серия 3.006.1-3/83 |
Цена:
Рассчитать стоимостьК 36 Колонны тоннелей Серия 3.006.1-3/83.
| Параметр | Значение |
|---|---|
| длина | 2910 мм |
| ширина | 500 мм |
| высота | 400 мм |
| масса | 930 кг |
| нормативный документ | Серия 3.006.1-3/83 |
К 36 Колонны тоннелей Серия 3.006.1-3/83.
