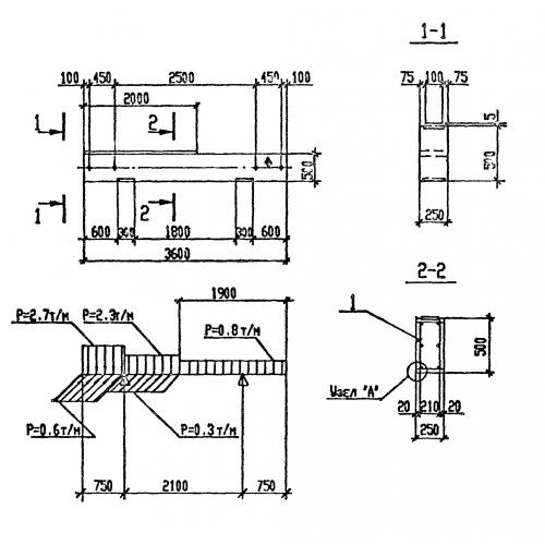
Т 2

Чертеж изделия:
Характеристики изделия:
ПараметрЗначение
длина3600 мм
ширина250 мм
высота500 мм
вес1100 мм
серия3.016.1-11

Т 2 Траверсы по серии 3.016.1-11.