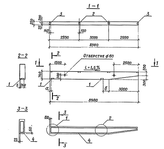
2БН9-4

Чертеж изделия:
Характеристики изделия:
ПараметрЗначение
Длина8980 мм
Ширина250 мм
Высота740 мм
Масса3500 кг
Нормативный документСерия 3.019.1-1

2БН9-4  Балка навеса по Серии 3.019.1-1.