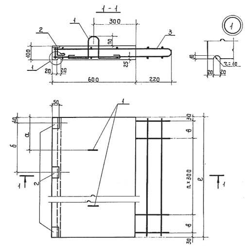
ПР 2т

Чертеж изделия:
Характеристики изделия:
ПараметрЗначение
Длина480 мм
Ширина600 мм
Высота100 мм
Масса100 кг
Нормативный документСерия 3.019.1-1

ПР 2т  Плита рампы по Серии 3.019.1-1.