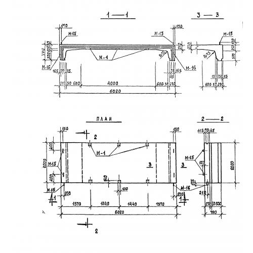
СБК-5.5

Чертеж изделия:
Характеристики изделия:
ПараметрЗначение
длина6020 мм
ширина2000 мм
высота790 мм
масса8800 кг
нормативный документСерия 3.903 КЛ-13

СБК-5.5   Блоки камеры средние по Серии 3.903 КЛ-13.