ВНП 12-41-4 наружные стеновые панели

Чертеж изделия:
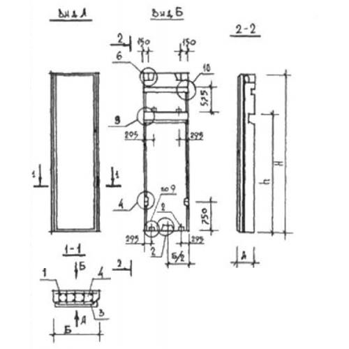
Характеристики изделия:
ПараметрЗначение
длина4075 мм
ширина1190 мм
высота400 мм
масса2120 кг
нормативный документСерия КУБ 2.5

ВНП 12-41-4  Вертикальные наружные стеновые панели Серия КУБ 2.5.