ПСП 15.9.2.5

Чертеж изделия:
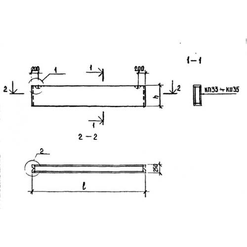
Характеристики изделия:
ПараметрЗначение
длина1480 мм
ширина250 мм
высота940 мм
вес280 кг
серияТП 213-2-183

ПСП 15.9.2.5 Плиты стеновые парапетные по проекту ТП 213-2-183.