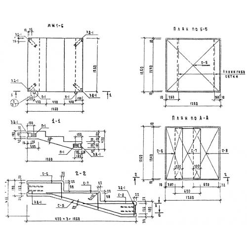
МЖ 1
Характеристики изделия:
| Параметр | Значение |
|---|---|
| длина | 1260 мм |
| ширина | 1260 мм |
| высота | 420 мм |
| вес | 570 кг |
| серия | ТП 320-55 |
Цена:
Рассчитать стоимостьМЖ 1 Элементы наружных лестниц. Малые архитектурные формы и элементы благоустройства улиц, дорог, площадей по серии ТП 320-55.
